
kap4-1-speicherorganisation-1.pdf
Caches
Aufbau
Cach Lesen
CPU überprüft, ob eine Kopie der Hauptspeicherzelle mit Adresse a im Cache abgelegt ist:
cach hit
Daten sind in Cach.
In einem Cycle:
- Läd Cach zu CPU
Zugriffszeit:
Link to originalcach miss
Daten nicht in Cach.
In einem Cycle:
- Läd vom Hauptspeicher in den Cach
- Läd vom Hauptspeicher in die CPU
Zugriffszeit:
Link to originalTrefferate:
Durchschnittliche Zugriffszeit:Schreibzugriff Verfahren
Write trough
Hauptspeicher wird immer aktualisiert
Link to original
- cach miss:
- CPU schreibt Daten in Hauptspeicher
- cach hit:
- Hauptspeicher wird aktualisiert
- Kopie im Cache wird aktualisiert
write back
Hauptspeicher wird aktualisiert wenn aus Cach verdrängt wird.
Link to original
- cach miss
- CPU schreibt in Hauptspeicher
- cach hit
- Kopie wird Cache aktualisiert und mit dirty bit markiert.
- Hauptspeicher wird erst aktualisiert, wenn Kopie aus dem Cache verdrängt wird.
write-allocation
Alles wird erst im Cache behandelt.
Link to original
- cach miss
- CPU schreibt in Cache und makiert mit dirty bit.
- Hauptspeicher wird erst aktualisiert, wenn Kopie aus dem Cache verdrängt wird.
- cach hit
- Kopie wird Cache aktualisiert und mit dirty bit markiert.
- Hauptspeicher wird erst aktualisiert, wenn Kopie aus dem Cache verdrängt wird.
DMA
Direct Access Memory Controller
Erlaubt das man direckt mir dem Hauptspeicher komunizieren.
Disk zu RAM ohne das die CPU Involviert ist.
Link to originalVerdrängungs Stratigie
FIFO
First in First out.
Einfach immer push back und pop front.
Link to originalLFU
Least frequently used
Was am wenigstens gelesen wird fliegt raus.
Link to originalLRU
Least recently used
Was am längsent nicht benutzt wurde fliegt raus.
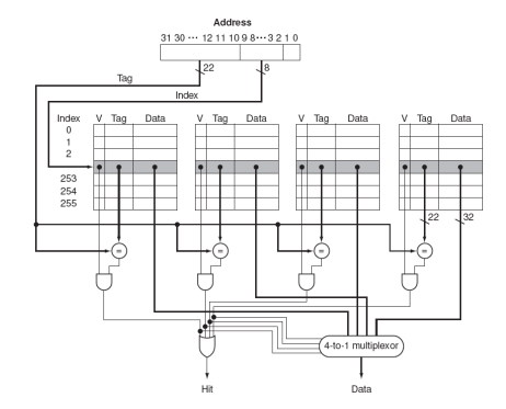
Link to originalDirect Mapped Cache
Die letzten paar bits der Hauptspeicher Adresse stehen für Cach Adresse
Cach Adresse = Hauptspeicher Adresse % Cachgröße
Cache Tag
Die restlichen Bits der Hauptspeicher Adresse
Valid Bit
Gibt an ob der eintrag gültig ist.
Wichtig
Keine Verdrenungsstratigie benötigt.
Link to originalLink to originalDMC
Direct Mapped Cache UND Assoziativer Cache
mehere parallele Direct Mapped Caches in einem Assoziativen Cache
Link to original
Massen speicher
HDD
- Eine Festplatte besteht aus
- mehreren Platten (4-8)
- mehreren Lese-/Schreibköpfen (4-16)
- Eine Platte besteht aus konzentrischen Spuren
- Eine Spur besteht aus Sektoren
- Ein Sektor ist die kleinste beschreibbare Einheit
- Ein Zylinder besteht aus übereinanderliegenden Spuren
Früher waren alle Köpfe immer an der gleichen Position daher liest man immer einen Zylinder.
Heute kann man die Leseköpfe auch unabhängig regulieren.Sektor
Werte
- Rotationsgeschwindigkeit: 3.600 rpm bis 10.800 rpm (revolutions per minute)
- Sektorgröße: 128 Byte bis 1 KiB
- Schreibdichte: 50.000 bis 270.000 Bits/cm
- Spurendichte: 800 bis 10.000 Spuren/cm
Zugriff auf Datenblock x
- Oberfläche i, Spur j, Sektor k
- Positionieren des Arms auf Spur j
- Warten bis Platte auf Sektor k gedreht wurde
- Aktivieren des Schreib-/Lesekopfs von Oberfläche i
Verfahren zur Positionierung des Arms
- Schrittmotor: langsam, veraltet
- Servo-Oberfläche: Grobpositionierung durch Impuls und eigene Oberfläche mit Infos zur Nachregulierung
⇒ ungerade Anzahl von „Nutz“-Oberflächen- Nachregulierungsinfos auf jeder Oberfläche (heute üblich)
⇒ Schreib-/Leseköpfe unabhängig regulierbarshiehe auch: Zugriffsalgorithmen auf Plattenblöcke
Zugriffszeit
Bewege die Köpfe zu dem richtigen Zylinder (Dauer: ca. 10 ms)
Warte, bis der gesuchte Sektor zum Kopf rotiert (Dauer: 0.5 * Rotation)
Übertrage den Inhalt des Sektors (Transferrate: 20-100 MB/s)
siehe auch:
Link to original
HDD Desing Auswirkung auf Dateisysteme
Fehlerhafte Plattenblöcke
HDD Blockgröße
SSD





